Nächste Seite:
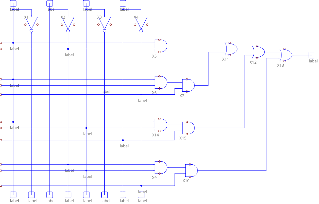
./vhdl20250304/quine20250304.vhdl
Aufwärts:
pics
Vorherige Seite:
./vhdl20250304/quine20250222.vhdl
quine20250304.png