Nächste Seite:
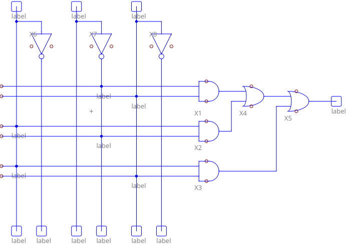
./vhdl20250304/quine20250218.txt
Aufwärts:
pics
Vorherige Seite:
./vhdl20250304/quine20250129.vhdl
quine20250218.png