Re: Das neue Auswendig lernen und die neuen UEbungen -

Das ist ein bisschen verunglueckt, vielleicht war ein Fehler drin
Zustand		Folge-Zustand fuer	Ausgang
			x=0	x=1
1			4	7				0
2			3	4				0
3			4	8				1
4			7	1				0
5			7	3				1
6			8	4				1
7			1	4				0
8			7	1				1


Zustand		Folge-Zustand fuer	Ausgang
			x=0	x=1
3			4	8				1
5			7	3				1
6			8	4				1
8			7	1				1

(3,5)		(4,7)	(8,3)
(3,6)		(4,8)	(8,4)
(3,8)		(4,7)	(8,1)
(5,6)		(7,8)	(3,4)
(5,8)		(7,7)	(3,1)
(6,8)		(8,7)	(1,1)

Zustand		Folge-Zustand fuer	Ausgang
			x=0	x=1
1			4	7				0
2			3	4				0
4			7	1				0
7			1	4				0

(1,2)		(4,3)	(7,4)
(1,4)		(4,7)	(7,1)
(1,7)		(4,1)	(7,4)
(2,4)		(3,7)	(4,1)
(2,7)		(3,1)	(4,4)
(4,7)		(1,1)	(4,4)


(1,2)		(4,3)	(7,4)
(1,4)		(4,7)	(7,1)
(1,7)		(4,1)	(7,4)
(2,4)		(3,7)	(4,1)
(2,7)		(3,1)	(4,4)
(3,5)		(4,7)	(8,3)
(3,6)		(4,8)	(8,4)
(3,8)		(4,7)	(8,1)
(4,7)		(1,1)	(4,4)
(5,6)		(7,8)	(3,4)
(5,8)		(7,7)	(3,1)
(6,8)		(8,7)	(1,1)


(1,2)		(3,4)	(4,7)
(1,4)		(4,7)	(1,7)
(1,7)		(1,4)	(4,7)
(2,4)		(3,7)	(1,4)
(2,7)		(1,3)	(4,4)
(3,5)		(4,7)	(3,8)
(3,6)		(4,8)	(4,8)
(3,8)		(4,7)	(1,8)
(4,7)		(1,1)	(4,4)
(5,6)		(7,8)	(3,4)
(5,8)		(7,7)	(1,3)
(6,8)		(7,8)	(1,1)



(1,2)		(3,4)	(4,7)
(1,4)		(4,7)	(1,7)
(1,7)		(1,4)	(4,7)
(2,4)		(3,7)	(1,4)
(2,7)		(1,3)
(3,5)		(4,7)	(3,8)
(3,6)		(4,8)	(4,8)
(3,8)		(4,7)	(1,8)
(5,6)		(7,8)	(3,4)
(5,8)		(1,3)
(6,8)		(7,8)



--(1,2)		--(3,4)	(4,7)
--(1,4)		--(4,7)	(1,7)
--(1,7)		--(1,4)	(4,7)
--(2,4)		--(3,7)	(1,4)
--(2,7)		--(1,3)
--(3,5)		--(4,7)	(3,8)
--(3,6)		--(4,8)	(4,8)
--(3,8)		--(4,7)	(1,8)
--(5,6)		--(7,8)	(3,4)
(5,8)		(1,3)
(6,8)		(7,8)
...

Jetzt kommt der Automat zusammen mit der Transformation von Mealy nach Moore.

Image automat20240324-1

Gut, ohne das automatisch generierte Diagramm, schreibe ich jetzt die Verknuepfungen als Funktion hin und mache den Automaten selber als Zustandsdiagramm und wandle ihn um von mealy nach moore.

Ich nehme diese Tabelle

Zustand,Eingabe,Ausgabe,Folgezustand
1,0,0,4
1,1,1,4
2,0,0,1
2,1,0,3
3,0,0,2
3,1,0,1
4,0,1,3
4,1,1,2

Hier die Funktionsgleichung

Zustand,Eingabe,Ausgabe,Folgezustand
1,0,0,4
1,1,1,4
2,0,0,1
2,1,0,3
3,0,0,2
3,1,0,1
4,0,1,3
4,1,1,2


z1 := z2 and not x or z3 and x
z2 := z3 and not x or z4 and not x
z3 := z2 and x or z4 and not x
z4 := z1

y := z1 and x or z4

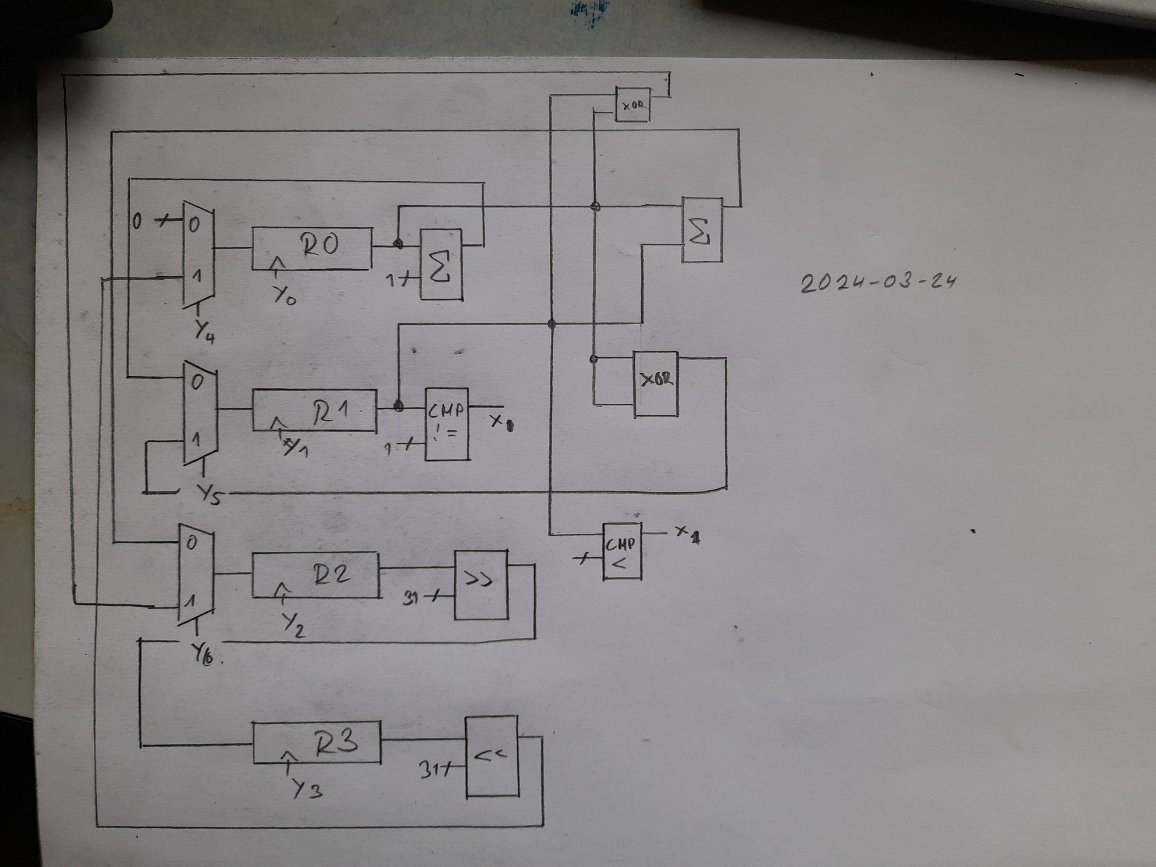
Jetzt auf Papier, der Automat

Image 20240324_171952

Image asm20240324-1

https://www.ituenix.de/nextcloud/data/dave/files/asm20240324.tex">

https://www.ituenix.de/nextcloud/data/dave/files/asm20240324.pdf">

Image 20240324_173815

Image 20240324_175010